波紋管對真空滅弧室壽命的影響
本文作者:大禹漢光 發布時間:2018-05-18

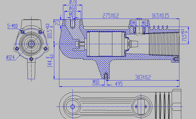
在真空滅弧室中,波紋管通常焊接在動導電桿的外部和端蓋板的內口上,在真空滅弧室的開斷過程中,主要起到密封作用,是真空滅弧室壽命最主要的影響因素。
在選擇波紋管的內外徑時,由于其內徑受動導電桿粗細和導向套的限制,外徑受真空滅弧室內徑、工頻和沖擊耐壓限制,因此,在選用時,應該保證外徑距離瓷殼18~22
mm,距內徑6~9 mm。一般壁厚為0.14~0.18 mm,壁厚公差為±10%。
通常在釬焊波紋管前,要做好清洗和電鍍(鍍層10~15
μm)工作,并經過氦質譜檢漏儀檢驗,確定不漏后才能使用。同時,為確保其使用壽命,在設計波紋管的安裝在合閘位置的尺寸大小時,應該盡量保持波紋管呈自然狀態,在觸頭磨損中有稍微的拉伸。
相關資訊
相信每一位客戶在選購真空滅弧室這款產品時,都希望能夠找到一家優質的廠商,這樣才能采購到可靠的產品。那么國內目前此類產品的廠家的排名情況是怎么樣的呢?這里小編向大家鄭重推薦我們大禹漢光公司! ...
真空開關管使用用于各種類型的真空接觸器,和其他的保護裝置儀器可以組合成真空電磁啟動器,因此該產品在冶金、電力,煤炭、化工等領域被廣泛地采用,不過為了其使用的安全性和有效性,在安裝該產品的時...
負荷開關用真空開關管出現黃斑的原因就是銀層包裹不足鎳層,而出現氧化作用。其具體原因如下:當高壓真空開關管表面只有一層鎳層時,經過烘烤排氣后,鎳層不會被氧化,因此也不會出現黃斑現象,而當金屬...
真空滅弧室 主要由氣密絕緣系統、導電系統、屏蔽系統、觸頭系統幾部分組成。 材料:絕緣外殼的材料有玻璃、陶瓷、微晶玻璃三種。微晶玻璃價格昂貴,因而沒有得到過實際應用;玻璃結構強度較差,使用...
真空滅弧室是真空斷路器的關鍵部件,可以說是真空滅弧室的不斷發展,才提高了真空斷路器的技術水平。從真空滅弧室在我國發展以來,總共有五個版本。 第一代、CuBi系合金觸頭,φ145 mm...
請問固封極柱式真空段斷路器一般可以分為哪幾種類型呢?麻煩告訴下具體是按照什么來分類的,非常感謝! 大禹漢光答:一般常用 固封極柱 式真空斷路器可以這么來分類:按使用海拔:分為普通型...
真空結構的滅弧室是一種非常關鍵的電力設備,用于斷開高壓電路中的電弧。它們在電力系統中發揮著重要的作用,不僅可以保護設備,而且也保障人員安全。對于該產品來說,滅弧是通過幾種方式來實現的,這些方式使...
真空開關管 是中高壓電力開關中的核心部件,它具備節能、防火、防爆、體積小、壽命長、維護簡單等優勢,因此一經問世就頗受用戶換用。隨著生產該產品的廠家增多,我們可以在市面上不同的品牌、規格和類型,...
真空開關管操作過電壓是因開關在開、合瞬間由于斷流能力極強而產生的。 操作過電壓有以下幾種: 1.截流過電壓。真空開關分斷電弧時,由于其滅弧能力極強,沒等電弧電流過零時.電弧即被...
固封極柱對真空滅弧室的使用時一個巨大的提升,其優點不用多說,但是目前情況下還是有諸多不足之處,下面就一一介紹。 1.滅弧室在表面硫化硅橡膠及環氧樹脂固化成型過程中需承受兩次的成型壓力...
返回列表